登录
|
注册
无障碍
网站首页
走进杏乡
政务资讯
政务公开
政务服务
政民互动
专题专栏
当前位置:
首页
/
政务公开
/
重点信息公开
/
安全生产
/
监管监察
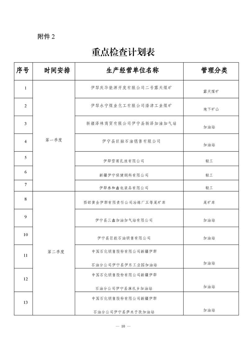
伊宁县应急管理局2024年度安全生产监督检查计划
2024-04-24
伊宁县应急管理局
相关解读:
附 件:
主办:伊宁县人民政府办公室
管理:新疆伊宁县人民政府电子政务办公室
[新ICP备10003200号]
网站地图
网站标识码:6540210007 联系电话:0999-4026998 传真:4022359
新公网安备 65402102000010号